PM-Türzargenfräser (Stockfutter) für CNC C300-1| D | ND | Bo | LZ | Z | R/L | P | n-max | MS |
| 141 | 100 | 30 | | 2 | R | 14 | 9800 |
Ausführung: -Grundkörper aus Leichtmetall
-2-tlg. Fräsersatz
-Zähnezahl = 2
-HW-Profilmesser
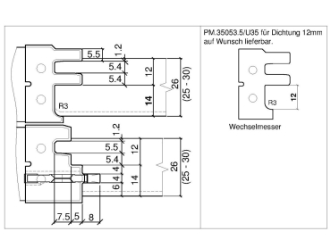
Anwendung: -Zur Fertigung von Türzargen (Türfutter) mit 14mm Dichtung bzw. 12mm Dichtung mit Messerwechsel
Werkstückstoff: -Massivholz und Plattenwerkstoff
Maschine: -CNC-Bearbeitungszentren
Lieferumfang: -Grundkörper inkl. Profilmesser PM.35052.5/U35 und Nutmesser VHMSB4 vormontiert
-Alu Distanzring 7mm
-Griffschlüssel Torx T40
-Griffschlüssel Torx T20
-Wahlweise auch montiert (und gewuchtet) (MS):
Montiert auf Fräsdorn HSK-F 63 (C905-8030xx):
C300-1..-F2
Besonderheit: -Zierverkleidung
-und Falzverkleidung können mit Z-Maßversatz gefertigt werden